分类列表
直流伺服110系列 48V 0.5KW-1.5KW 1500RPM
  • 直流伺服110系列 48V 0.5KW-1.5KW 1500RPM
  • 在线询价
    详细内容

    产品特性:

    ¨  满足一级能效

    ¨  响应速度快,热传导效率高,散热快,温升速度慢

    ¨  多槽极设计,齿槽脉动转矩小,电机运行平稳、安全可靠

    ¨  定子采用H级漆包线,耐高温,过载能力强

    ¨  转子采用自有的国家zhuanli技术(ZL201620037092.7)稳定性强

    ¨  支持定制服务


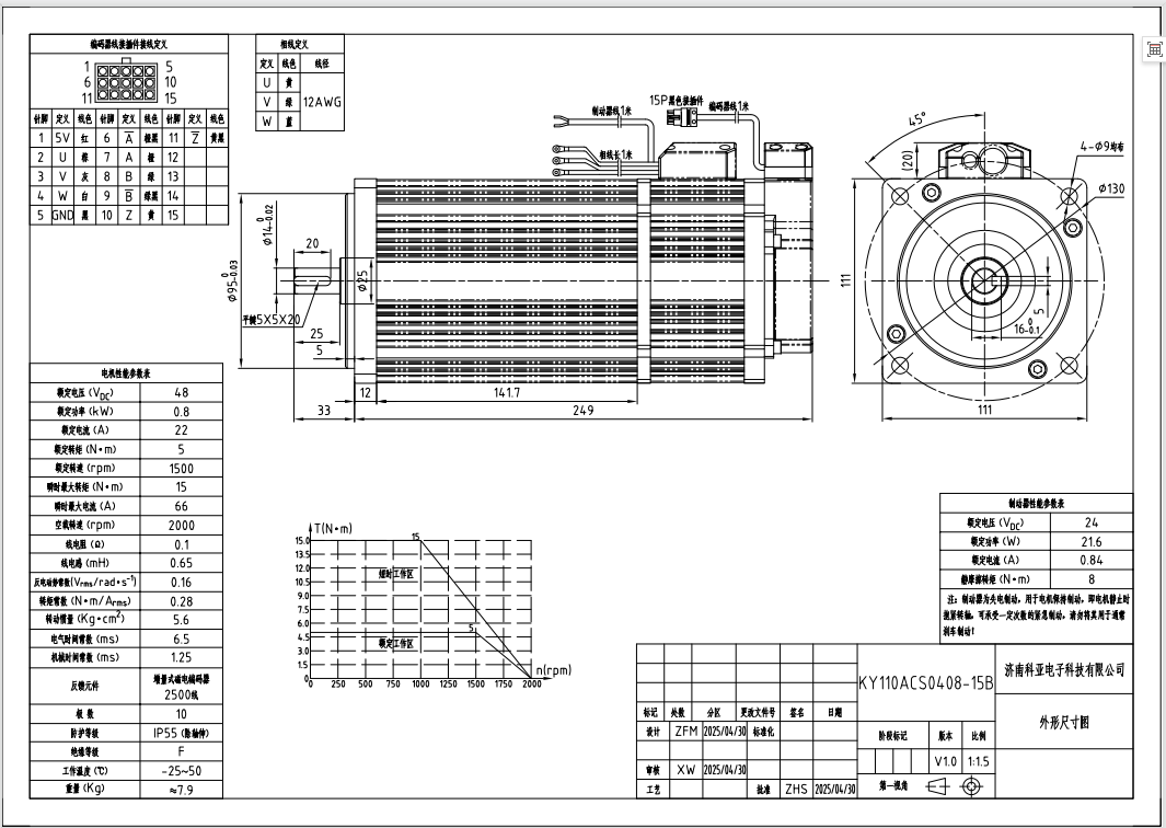
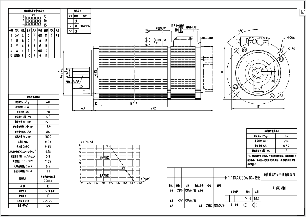
    产品参数:

    产品型号

    KY110ACS0405-15

    KY110ACS0408-15

    KY110ACS0410-15

    KY110ACS0415-15

    KY110ACS0405-15B

    KY110ACS0408-15B

    KY110ACS0410-15B

    KY110ACS0415-15B

    参数

    额定电压

    48V

    48V

    48V

    48V

    额定功率

    500W

    800W

    1000W

    1500W

    额定电流

    13A

    22A

    28A

    39A

    额定转速

    1500RPM

    1500RPM

    1500RPM

    1500RPM

    额定转矩

    3.2N.m

    5N.m

    6.3N.m

    9.55N.m

    空载转速

    1700RPM

    2000RPM

     1800RPM

     1850RPM

    瞬时最大电流

    39A

    66A

    84A

    117A

    瞬时最大转矩

    9.6N.m

    15N.m

     18.9N.m

     28.7N.m

    极    数

    10

    10

    10

    10

    反馈信号

    (标配)增量式编码器   (选配)绝对值编码器

    无制动器

    标配

    (选配)制动器

    额定电压

    24V

    功    率

    21.6W

    制动方式

    失电制动

    静摩擦力

    8N.m

    环境温度

    -25-+50℃

    存储温度

    -35-+65℃

    防护等级

    IP55

    冷却方式

    自然冷却

    重    量

    5.4kg

    6.4kg

    7.5kg

    10kg

    6.9kg

    7.9kg

    9kg

    11.5kg


    image.png


    image.png


    image.png

    image.png

    上一篇:直流伺服130系列48V1KW-3KW1500R...
    下一篇:直流伺服80系列24V400W3000RPM...

    ML.COM网站

    手 机 : 15866635707(王工)

               13001738973(王工)

    地 址:中国山东省济南市天桥区梓东大道一号(鑫茂科技城66号楼)

    分享到